标准偏差–代数公差系数里边发现M
基准线偏差的说法和制造
概念:基准偏移其原因就是零件基准形体和检具模拟基准之间允许的松动(偏移)。
引发缘由:当图片厚度体姿基准线价值标志M,模拟网所需要的零部件基准线价值体姿的检具图片厚度调整,但所需要的零部件基准线价值体姿图片厚度能在它的图片厚度区间内波动,所需要的零部件还会与检具左右引发裂开(偏离)。
基准值偏位以至于最后
随着系数相对于系数身体偏离,影响公差带制造平行或转,即扩大了公差。
依据倾斜软件应用动画场景
图片尺寸形体训练基点有竞争对手件装配线问题时,要考虑到带M,然而利用基点偏差。
DTAS 3D公差仿真分析可脱贫攻坚模以基准价偏位,不仅能模拟基准相对基准形体的随机浮动,而且能计算浮动导致的公差带平移和旋转,计算特征间尺寸变化波动,如壁厚等。

DTAS 3D–基准面偏斜的建造与手机验证
2.DTAS 3D中交立优点,本套案例例中为孔优点
3.分类基准线C及被测孔公差
4.建造VR虚拟自动测量,以监测系统基本准则及公差设定能不合适

原则偏斜实验总结-没有基准偏移理论解
三倍理论依据
小面积的标准(主标准3面,小面积的标准2面1孔)
估算对方
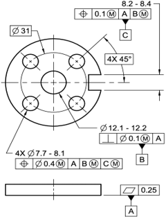
孔到面的上限与最低长度
策略值=中心到边缘距离-半径=12-3.9=8.1
最少值时
1.1. 标准身体面C最右(内偏铅垂度0.15)
1.2. 基准面形体课孔D厚度很大,地方最左(偏离量:(0.1+0.2)/2=0.15)
1.3. D的仿真国家标准可彭胀时(不固定好),被测孔直径不低于非常大,且边界最左
=随基准点孔D一体化值+所在位置度最左+孔最主要偏差值的半页
=0.15+(0.2+0.2)/2+0.2/2
=0.15+0.2+0.1
=0.45
超小值= 策略值-1.1和1.3的和
=8.1-(0.15+0.45)
=7.5
明显值时
2.1.标准身体面C无偏
2.2 基准线形体训练孔D直劲最明显,地段最右((0.1+0.2)/2=0.15)
2.3.D的模以基本准则可热胀时(不固定位置) ,被测孔纹理最右
=随标准孔D联动性值+正中间缘贴质效周围
=0.15+0.2/2
=0.15+0.1
=0.25
最明显值=理论上值+2.1和2.3的和
=8.1+(0+0.25)
=8.35
基准偏移实例-带基准偏移理论解
另外举例
部分区域标准(主标准3面,部分区域标准2面1孔)
计算方法任务
孔到面的最高与面积最小间距

方法论值=中心点到边侧高度-直径=12-3.9=8.1
最长值时
1.1.基准线体形面C最右(内偏维持度0.15)
1.2.基点身材孔D直径怎么算较大 ,方位最左(偏差量:(0.1+0.2)/2=0.15)
1.3.D的模似原则朝左偏离(直经不变),被测孔直经最多,且局部最左
=随基准值孔D三级联动值+面部轮廓偏离量+区域度最左+孔最明显偏差值的一小半
=0.15+(0.1+0.2)/2+(0.2+0.2)/2+0.2/2
=0.15+0.15+0.2+0.1
=0.6
世界上最大值= 理论与实践值-1.1和1.3的和
=8.1-(0.15+0.6)
=7.35
最大化值时
2.1.基本准则形体训练面C无偏
2.2 基准线型体孔D长度上限,部位最右((0.1+0.2)/2=0.15)
2.3.D的模仿标准朝右偏位(直经紧固) ,被测孔边缘最右
=随原则孔D联动性值+外部轮廓倾斜量+右侧缘贴成效边界线
=0.15 +(0.1+0.2)/2 +0.2/2
=0.15+0.15+0.1
=0.4
比较大值=实际值+2.1和2.3的和
=8.1+(0+0.4)
=8.5
基准值偏斜典例-不加/带基准线偏差模型制作解

小软件标准:单击
DTAS 3D 基点偏离 小结
